Hello!You are welcome to visit Wuxi Weite Machinery Co., Ltd.!
Service telephone:
0510-6800 2999
Extruding machine
|
Add to favorite
|
Set home
ENGLISH
中文版
HOME
ABOUT
PRODUCT
PROJECT
QUALIFICATION
VIDEO
CONTACT
FEEDBACK
About us
About Weite
Research and development
Quality assurance
Customer service
Field management
Contact us
Quality assurance
Home
>> Quality assurance
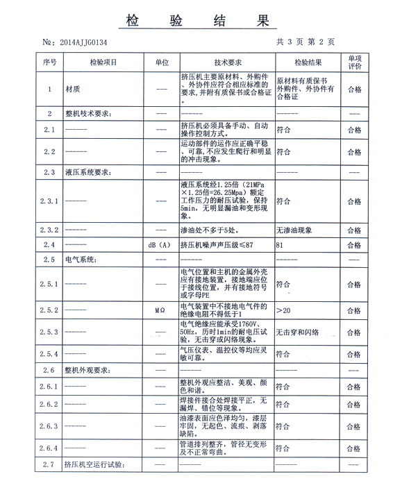
90MN检测报告
Pre:New copper alloy extrusion press
Next:铝合金挤压机
Privacy Policy
Terms of use
About
Contact
Extruder
Calcium extruder
ICP No. 05037854-1
Copyright © 2016 Wuxi Weite Machinery Co., Ltd. www.weiyujx.com